产品
星空电竞焊接/搬运专家
始于焊接,不止于焊接
始于焊接,不止于焊接
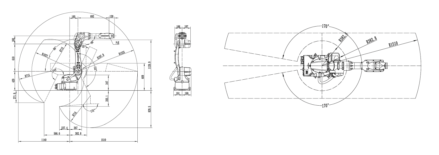
机器人整体结构高度紧凑、轻量化,更加轻巧适用,尤其腕部更加小巧,满足更多的场景。
机器人刚性高,采用高速电机,节拍更快。机器人电机采用密封设计,防护等级高达IP67,适应更恶劣的应用环境。
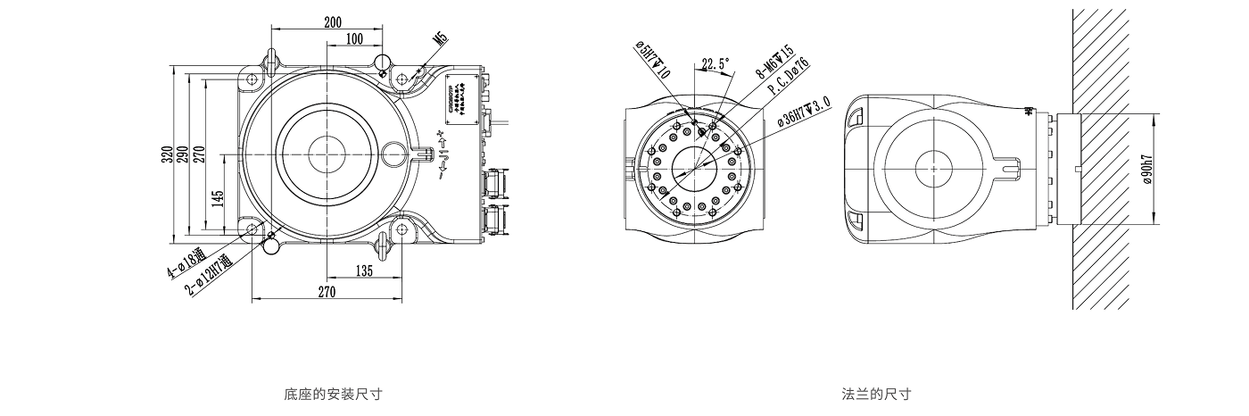
J2、J3、J4轴上都预留安装孔位,方便安装固定电磁阀以及其他配件等。J3轴位置提供用户IO接口以及双回路气管,更加满足搬运应用。
驱动采用全新的PID控制,前瞻技术,快速响应;观测器动态补偿,弱磁功能,电机控制更好、更稳、转速更高。
全新的控制算法,运动学与动力学结合。全新的设计、驱动算法、控制算法融为一体,根据机械部件特性和负载情况,实现自动规划,保证机械寿命的同时,机器人在允许的最大能力范围工作,机器人寿命更长久,运行速度更快、更柔、更稳,工作节拍更快。
具有碰撞检测功能,更好的保护机器人本体以及外围设备。且具有重力补偿功能,机器人精度更高,满足更高精度的场景应用,拓宽应用场景。
配置独立于控制系统的安全急停板,采用强制型断开继电器,对外提供双回路急停,确保急停的可靠性。
内装滤波器,有效隔离外部干扰和防止内部干扰输出。


