Product
Arm Span
  • no limit
  • Within 1.5 meters
  • Within 2 meters
  • Within 2.5 meters
  • Within 3 meters
  • Within 4 meters
Load
  • no limit
  • Within 10kg
  • Within 30kg
  • Within 50kg
  • Within 100kg
  • Within 200kg
  • Within 400kg
Selection tool
Hey, hello
What can I do to help?

Leave us a message

Please leave a message

CRP-RA26-220
Describe
FUNCTIONAL FEATURES
  • With a reach of 2.65 meters, high rigidity,strong load bearing capacity, and smoother operation,it represents an improvement of about 2% compared to the previous generation.

  • The load capacity is 220kg, an improvement of about 5% compared to the previous generation.

  • The motor is built into the arm, giving a clean appearance and makingit suitable for working inconfined spaces, with more flexible movement.

  • Using high-speed, high-overload capacity servo motors, high-precious RV reduces, and the latest anti-vibration control strategies, the pitch operation time is shortened.

  • The entire machine installation occupies less space, enabling high-density installation and wiring, and supports collaborative operation of multiple units.

  • The robot has a simple structure, a user-friendly operation interface, and is easy to maintain.

ROBOT BODY TECHNICAL PARAMETERS

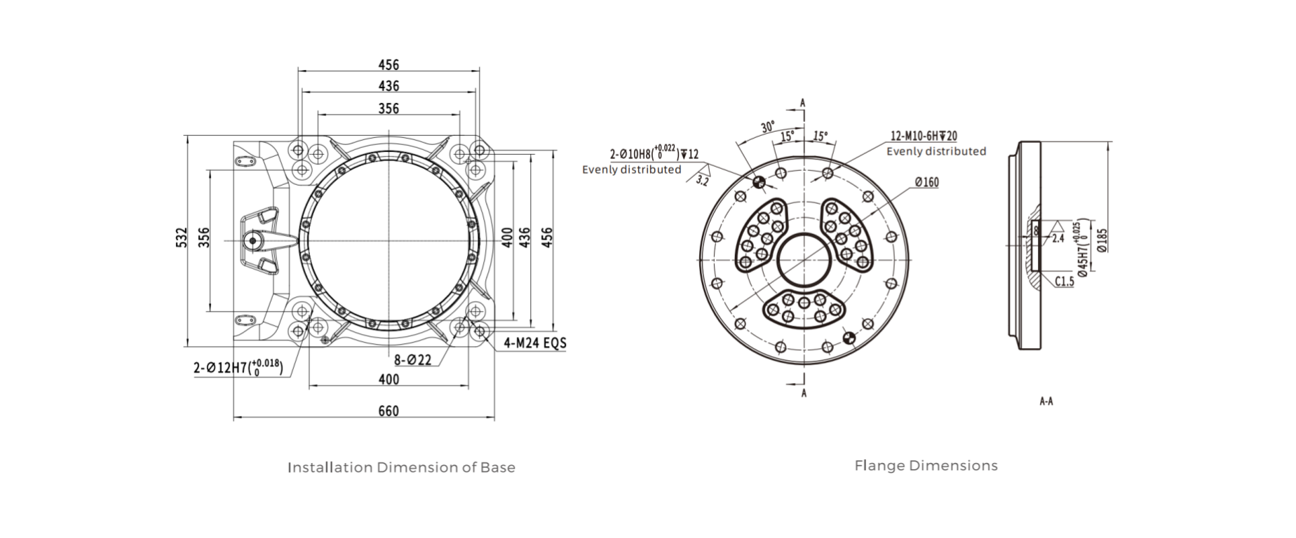
INSTALLATION INTERFACE DIAGRAM

MOTION RANGE DIAGRAM